Industry application

行业应用

储能
应用概述
储能应用概述

储能可实现新能源电力上网、保持电网高效安全运行和电力供需平衡,特别是大规模新能源发电环节,储能系统有利于削峰填谷,使光伏、风力发电等不稳定电力平滑输出。


ballbet贝博征已在效率、创新、性能和成本方面成为推动储能解决方案 (ESS) 的优选厂商。ballbet贝博征的分立式 SJ MOSFET、SiC 、VD MOSFET、IGBT单管和IGBT模块、以及高度集成式Easy 3B、Flow 2等产品为各式储能系统提供最优解决方案。

 

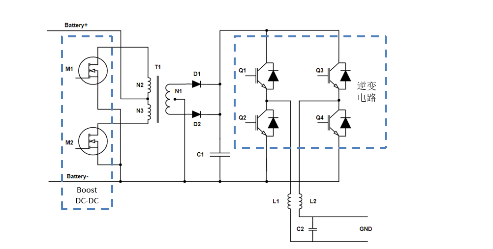
储能
应用系统图
储能应用系统图
储能
应用拓扑图
储能应用拓扑图
储能
推荐产品

IGBT单管产品清单

Part Number VCE(V) Ic(A)@100℃ Vcesat(V) @25℃
typ
Eon(mJ) Eoff(mJ) Package Datasheet
MPBW40N65E 650 40 1.5 0.94 0.85 TO-247 Download
MPBW40N65EH 650 40 1.5 0.81 0.85 TO-247 Download
MPBW50N65EH 650 50 1.54 1.14 1.26 TO-247 Download
MPBW15N120BF 1200 15 1.8 1.17 0.95 TO-247 Download
MPBW25N120BF 1200 25 1.9 1.6 1.9 TO-247 Download
MPBW40N120BF 1200 40 1.85 1.6 3.0 TO-247 Download
MPBQ75N120E 1200 75 1.58 4.97 3.42 TO-247 plus Download
MPBQ100N120E 1200 100 1.7 8.9 6.2 TO-247 plus Download

IGBT模块产品清单

Part Number VCE(V) Ic(A)@100℃ Vcesat(V) @25℃
typ
Eon(mJ) Eoff(mJ) Package Datasheet
MPFF200R12KBF 1200 200 2 8.8 13.6 62mm module Download
MPFF200R12RB 1200 200 2.26 22.7 17.1 34mm module Download
MPFF450R12KBF 1200 450 2.04 88.4 43.7 62mm module Download
MPFF600R12MBF M3 1200 600 2.2 151.3 88.6 EconoDUAL 3 Download

VD MOSFET产品清单

Part Number VDSS(V) ID(A)@25°C V(GS)th(V)@250μA RDS(on)(Ω)@VGS=10V 25°C max QG(nC) Package Datasheet
min max
MPVA13N50F 500 13 2 4 0.45 36 TO-220F Download
MPVX20N50B 500 20 3 4 0.3 75 TO-220F/TO-220/TO-247/TO-3P Download
MPVA20N50F 500 20 2 4 0.26 60 TO-220F Download